貼片NTC熱敏電阻應用示例及全球制造商簡介
發布時間:2024-03-10 11:41:39 瀏覽次數:428
貼片(pian)NTC熱敏電(dian)阻是一(yi)種由錳(meng)、鈷(gu)、鎳為主多種金屬氧(yang)化(hua)物為原料燒結而(er)成的(de)陶(tao)瓷半導體(ti)(ti)感(gan)熱晶體(ti)(ti),對(dui)溫(wen)(wen)度變化(hua)的(de)敏感(gan)度極高,其零功(gong)率電(dian)阻值隨著本體(ti)(ti)溫(wen)(wen)度升高而(er)呈指數(shu)關系下降。根據其R-T阻溫(wen)(wen)曲(qu)線,可以(yi)測(ce)(ce)算出每一(yi)個溫(wen)(wen)度點精確(que)的(de)電(dian)阻值,在電(dian)路中可通(tong)過電(dian)阻值來實現溫(wen)(wen)度的(de)數(shu)字化(hua)對(dui)應(ying),用來進行(xing)溫(wen)(wen)度的(de)測(ce)(ce)量和控(kong)制(zhi)。
本(ben)文(wen)就貼片NTC熱(re)敏(min)電阻的溫(wen)度(du)(du)檢測及控制與溫(wen)度(du)(du)補(bu)償等功能而作(zuo)為溫(wen)度(du)(du)保護器件的應(ying)用(yong)示例進行介紹。
? 溫(wen)(wen)度(du)測(ce)量:電(dian)子溫(wen)(wen)度(du)計、電(dian)子萬(wan)年歷(li)、電(dian)子鐘溫(wen)(wen)度(du)顯示、電(dian)子禮品等;
? 溫(wen)度控制:手(shou)機、汽(qi)車(che)電(dian)話、筆記本電(dian)腦、智(zhi)能(neng)穿戴設備(bei)等設備(bei)充電(dian)電(dian)池(chi)的(de)溫(wen)度傳感(gan);
? 溫度補償(chang):移動通信設備的(de)晶(jing)體(ti)管、IC和晶(jing)體(ti)(ti)振(zhen)蕩器的(de)溫度補償(chang)。
1 數顯溫度(du)計及(ji)電子(zi)體溫計的溫度(du)測(ce)量
貼片(pian)NTC熱敏電(dian)阻作為溫度數據采集的最前端輸入(ru),進入(ru)放(fang)大電(dian)路進行充(chong)分的放(fang)大處理后,進入(ru)CPU中的A/D變換電(dian)路,高(gao)位雙積分式的A/D電路將采(cai)集到的溫度值(模擬(ni))轉換成(cheng)精細的數字bit信號(hao),再(zai)給CPU的一系列(lie)運作變換處理驅動顯示出來,實(shi)(shi)現對被測物體(ti)的溫度實(shi)(shi)時顯示。


2 智(zhi)能(neng)手(shou)機(ji)與平板中的溫度(du)(du)檢(jian)測與溫度(du)(du)補(bu)償
通(tong)常都有一定的(de)溫度系數,其輸(shu)出信號會隨溫度變化而漂移,稱為(wei)“溫(wen)漂”。為了減(jian)小溫(wen)漂,需(xu)要采用溫(wen)度補償措施在一定程(cheng)度上抵消或減(jian)小其輸出的溫(wen)漂。
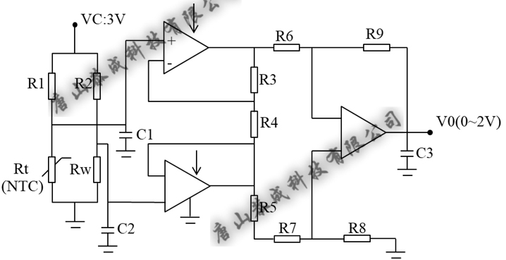
溫(wen)度補償(chang)的基本電路是與貼片NTC熱(re)敏電阻(zu)以及(ji)固定電阻(zu)進(jin)行串(chuan)聯的分壓電路。CPU及功率(lv)模塊等(deng)安裝在發熱部位附近的貼片(pian)NTC熱(re)敏電阻的(de)電阻值會(hui)隨(sui)溫度(du)上升而下降,因此分(fen)壓(ya)電路(lu)的(de)輸出電壓(ya)會(hui)發生變(bian)化。該變(bian)化輸送至微控(kong)制器后(hou)將會(hui)保(bao)護(hu)電路(lu)元件免受過熱(re)造成(cheng)的(de)影(ying)響,或進行(xing)溫度(du)補償。

溫度檢測(ce)/溫度補償基本電路

3 移動設備電(dian)池充電(dian)中的(de)溫度(du)檢測
大多數中小型(xing)電(dian)池(chi)組(zu)通(tong)常使用(yong)多路熱(re)敏電(dian)阻(zu)來監測溫(wen)(wen)度:一路熱(re)敏電(dian)阻(zu)位于(yu)電(dian)池(chi)組(zu)之外,主(zhu)要(yao)用(yong)于(yu)測量(liang)環境溫(wen)(wen)度;其他(ta)一路或多路熱(re)敏電(dian)阻(zu)位于(yu)電(dian)池(chi)組(zu)的中心(xin)。恰當的溫(wen)(wen)度檢測可防止(zhi)電(dian)池(chi)發生熱(re)逸潰,并(bing)確(que)保其充(chong)電(dian)或放(fang)電(dian)安(an)全。即在電(dian)池(chi)組(zu)的+端子與-端(duan)子之外,設(she)置一個溫(wen)度監測用端(duan)子,其內部(bu)搭載(zai)有貼(tie)片NTC熱(re)敏(min)電(dian)阻。在電(dian)池溫度上升時,貼片NTC熱敏電(dian)(dian)阻電(dian)(dian)阻值會下降,當超過上限充電(dian)(dian)溫度(du)時,充電(dian)(dian)控制IC將會停止充(chong)電(dian)。下圖為基本電(dian)路示例。電(dian)池組內的保護(hu)IC會(hui)測(ce)量電(dian)池(chi)電(dian)壓,從而防止過(guo)充(chong)電(dian)或過(guo)放(fang)電(dian)。
在快速(su)充電(dian)等(deng)要求(qiu)充電(dian)控(kong)制(zhi)更(geng)為精準(zhun)的情況時,將會使貼片NTC熱(re)敏電阻與充電控制IC進(jin)行連接,從(cong)而用于(yu)測量環境溫度。

4 晶(jing)體振蕩(dang)器的溫度補償(chang)
在電(dian)腦等(deng)電(dian)子(zi)設(she)備中,若要產(chan)生基準頻率(時鐘基準信(xin)號),則需要使(shi)用(yong)利用(yong)晶振(zhen)的晶體(ti)振(zhen)蕩器。晶振(zhen)溫(wen)度特性如下(xia)圖圖片曲線(紅線:無溫(wen)度補償)所示,呈現以(yi)基準溫度(通(tong)常為25℃)為拐點的3次曲線(xian),振(zhen)動(dong)頻率偏差(cha)(縱軸)隨(sui)溫(wen)度發(fa)生大幅(fu)變(bian)化。而通過在低溫(wen)范圍(wei)與高溫(wen)范圍(wei)分別插入與晶振溫(wen)度特性相反的補償電路(lu)便可縮小振動頻率偏差(藍線(xian):有溫度(du)補(bu)償)。該補償電(dian)路(lu)(lu)為(wei)模擬方式,低溫(wen)范圍(wei)與(yu)高溫(wen)范圍(wei)的補償電(dian)路(lu)(lu)分別(bie)由貼(tie)片NTC熱敏電(dian)(dian)阻與電(dian)(dian)容器、電(dian)(dian)阻構成。內置溫度補(bu)償(chang)電(dian)(dian)路的晶體振蕩(dang)器稱為TCXO(溫度補償型晶(jing)體振(zhen)蕩器、Temperature Compensated Xtal Oscillator)。


上一篇: 日韓精品久久久肉倫網站:LED專用疊層貼片壓敏電阻
下一篇: 沒有了!
